Typenschein:
Möchtest du künftig über neue Teile, die genau für dein Bike passen, informiert werden?
Sie haben keine Artikel im Warenkorb.
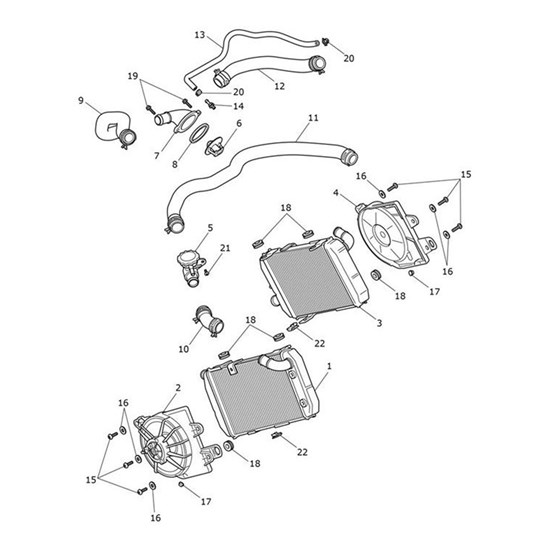
Hose, Coolant, Bypass
Coolant Bypass Hose
Coolant Hose, Formed, Bypass
Hose, Coolant
Hose, Coolant, Radiator, Inlet
Hose, Coolant, Radiator, Outlet
Elbow, Coolant, Bypass