Typenschein:
Möchtest du künftig über neue Teile, die genau für dein Bike passen, informiert werden?
Sie haben keine Artikel im Warenkorb.
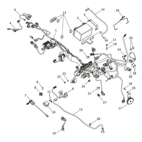
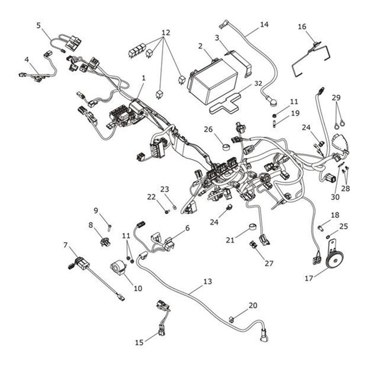
Main Harness, Type II
Main Harness
Harness, Main