Typenschein:
Möchtest du künftig über neue Teile, die genau für dein Bike passen, informiert werden?
Sie haben keine Artikel im Warenkorb.
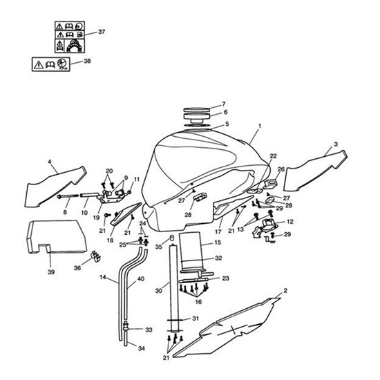
Bracket, Rollover Valve
Hose, Tank to Rollover Valve
Hose, Restrictor to Rollover Valve
Valve, Choke Kit
Kit, Purge Valve
Spares Kit, Purge Valve
Kit, Roll Over Valve