Typenschein:
Möchtest du künftig über neue Teile, die genau für dein Bike passen, informiert werden?
Sie haben keine Artikel im Warenkorb.
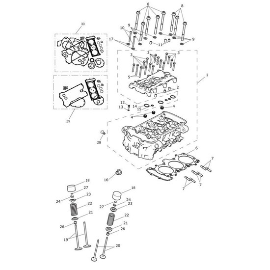
Wellendichtring, Ventilschaft, 5mm
Thrust Washer, 25 x 35 x 1.0
Platform, Spring Valve
VENTILSHIM 9.5 mm, 1.70 mm
Bolt, HHF, M8 x 116.5, Slv
ANLAUFSCHEIBE, 41 OD X 1.5
Retainer, Spring, Valve
Circlip, 32mm Shaft