Typenschein:
Möchtest du künftig über neue Teile, die genau für dein Bike passen, informiert werden?
Sie haben keine Artikel im Warenkorb.
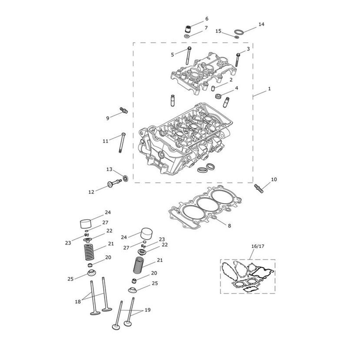
Gasket Kit, Cyl Head
Cyl Head Gasket, Dia 78.0
Gasket, Sump
Gasket, Headstock
Cylinder Head Gasket, 76.0